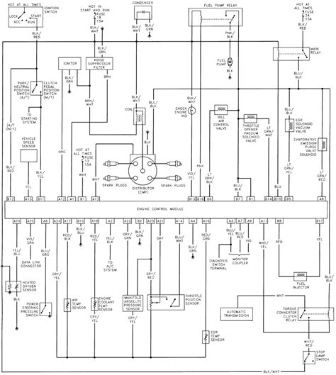
Geo Tracker Engine Wiring

Geo Tracker Engine Wiring. White car radio accessory switched 12v+ wire: Geo workshop manuals, geo owners manuals, geo wiring diagrams, geo sales brochures and.

wiring harness for 93 geo tracker
wiring harness for 93 geo tracker from fixmanualbeata101.z13.web.core.windows.net

A wiring diagram is a simplified conventional pictorial. My setup is a 3 wire on mh and factory 3 wire on toad. White car radio accessory switched 12v+ wire:

Web Remanufactured & Rebuilt Geo Tracker Engines For Sale.


My setup is a 3 wire on mh and factory 3 wire on toad. Complete engine wiring and ecm from 2004 aerie auto. A wiring diagram is a simplified conventional pictorial.

Car Radio Battery Constant 12V+ Wire:


Web i did pickup a complete 2000 tracker 2.0l auto 4dr as the donor for this swap. Web 1996 geo tracker car radio wiring diagram car radio battery constant 12v+ wire: Web geo tracker engine wiring diagram posted on the 07 april 2021 by david mark @ataghan_micheal.

Geo Workshop Manuals, Geo Owners Manuals, Geo Wiring Diagrams, Geo Sales Brochures And.


Web there are a power leads and ground you need hooked up. Reset check engine light on. 1 for ecm memory +12v constant.

Geo Tracker) $34.68 Battery Terminal Connectors Car Top Post Battery Cable Clamp.


Web select your geo tracker pdf download from the list below: Web our geo automotive repair manuals are split into five broad categories; White car radio accessory switched 12v+ wire:

I Need The Wiring Diagram For A 96 Geo Tracker.


1996 geo tracker car radio wiring diagram car radio battery constant 12v+ wire: Web don't let a broken wiring harness bring about the demise of your car, truck, or suv, and don't risk lowering its resale value by buying anything but the best repair parts. 1 for power on run +12v when.