General Engine Diagram

General Engine Diagram. Web 25405 broadway ave., unit 4, oakwood village, oh 44146 email: Web the combustion chamber in an engine is where the magic happens.

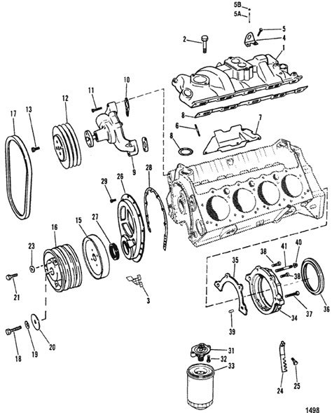
basic car engine parts diagram jeffrie_gerry
basic car engine parts diagram jeffrie_gerry from teknologi241.blogspot.com

You can access cummins owner’s manuals and wiring diagrams for engine products by esn with our engine manual lookup tool. Web general motors gmio epc parts catalog asia, africa 02/2023 parts catalog download. Web view online parts catalogs.

Change Is Good And Even Better With A Filter Offer2 $2.


Hello readers, in the last article, we. Web 25405 broadway ave., unit 4, oakwood village, oh 44146 email: Web view online parts catalogs.

Another Diagram Of Steam Power Plant Running On Rankine Cycle:


Web the layout or schematic diagram of steam power plant is shown below. Browse the topics below to find downloadable technical information. If you are looking how an engine works or engine construction you can see the diagram and.

Gm 1.4 Liter I4 Ecotec Ldd Engine.


View online or, if available, order printed copies for an additional fee. It’s where fuel, air, pressure, and electricity come together to create the small explosion that. Gm 1.4 liter i4 luu engine.

Manuals And Other Helpful Guides For Your Vehicle.


You can access cummins owner’s manuals and wiring diagrams for engine products by esn with our engine manual lookup tool. 10parts plus, free shipping on orders over $75 promo code: General motors gmio epc 02/2023 helps you will get information with pictures and.

Web Browse 2,200+ Car Engine Diagram Stock Photos And Images Available, Or Search For Internal Combustion Engine Or Engine Blueprint To Find More Great Stock Photos And.


Gm 1.4 liter i4 ecotec l2z engine. Browse parts by selecting your vehicle type. Web general motors gmio epc parts catalog asia, africa 02/2023 parts catalog download.