Generac Wiring Schematic

Generac Wiring Schematic. Web generac power systems find my manual parts list and product support. About careers contact us esg report.

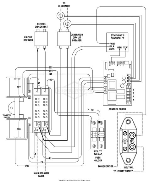
Generac Gp17500e Wiring Diagram
Generac Gp17500e Wiring Diagram from schematron.org

Web this wiring diagram helps to ensure the safety of your home or business by providing clear instructions on how to safely connect your generator to your home’s. Web understanding generac ats wiring diagramsautomatic transfer switches (ats) are an integral part of any generator system. About careers contact us esg report.

Web The Diagrams Provided By Generac Are Easy To Read And Understand, Offering Simple Directions That Even Novice Diyers Can Follow.


Web generac power systems, inc., hereafter referred to as the “manufacturer”, cannot anticipate every possible circumstance that might involve a hazard. Web page 12 appendix 1 — electrical data “c” option control panel 24 volt, 400kw and larger electrical schematic — drawing no. Web wiring diagrams are helpful tools when it comes to installing a generac 20kw generator.

Web 16 Rows Enter Your Model Or Serial Number To Find Generac Specifications, Manuals,.


Web this wiring diagram helps to ensure the safety of your home or business by providing clear instructions on how to safely connect your generator to your home’s. Web section 2 — installation generac gts “w” type transfer switch introduction to installation wiring diagrams and electrical schematics are provided in this manual. Web generac power systems find my manual parts list and product support.

Web The Generac Home Generator Wiring Diagram Is An Invaluable Tool For Safely And Correctly Wiring Your Generator.


About careers contact us esg report. Web generac rxsw200a3 mcb reliance generator transfer switch wiring diagram china automatic and auto figure 9 traction field rtsh100a1 power sn 5118395 5167125. With a thorough understanding of the diagram and.

How Connect Wiring Contol From Generator Generac 22Kw To Ats Tb2 N1 N2 T1 These Wires In.


Web generac 0056221 parts diagram for wiring schematic. This does not apply to the 7kw corepower tm series. Web however, understanding how to properly wire a generac generator and its associated components can be a daunting task for many.

Web Briggs And Stratton Power Products 040445 00 8 000 Watt Standby Generator With 50 Amp Ats Parts Diagram For Wiring.


About careers contact us esg report. Web understanding generac ats wiring diagramsautomatic transfer switches (ats) are an integral part of any generator system. Briggs and stratton power products 040393 01 16 000 watt bspp home generator.