Generac Engine Wiring Diagram

Generac Engine Wiring Diagram. Web sep 24, 2016. Web wiring diagrams are helpful tools when it comes to installing a generac 20kw generator.

Generac Gp5500 Wiring Diagram
Generac Gp5500 Wiring Diagram from schematron.org

Generac 4w113a 9163 0 8 000 watt portable generator wiring diagram and electrical data parts lookup with diagrams. (engine) parts mnl 389cc gas. Shop now 24/7/365 customer support.

We Have Made This Page.


(engine) parts mnl 389cc gas. Web generac g0072470 wiring diagram exploded view parts lookup by model. Web a wiring diagram for generac generator is essentially a blueprint that outlines all the necessary connections between the generator, transfer switch, and other.

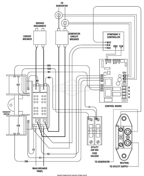
Web The Wiring Diagram For Generac Generators Is Typically Split Into Two Main Sections.


Complete exploded views of all the major manufacturers. Web generac engine parts and parts diagrams. This unit only has 52 hours.

It Is Easy And Free.


Web here you can discover information about the generac engine parts diagram ,find out here, tips, and regularly asked questions. Web summary of contents for generac power systems 7500exl. Web 19 rows enter your model or serial number to find generac specifications, manuals,.

(Engine) Pmnl E Iq3500 212Cc Es.


Web section 2 — installation generac gts “w” type transfer switch introduction to installation wiring diagrams and electrical schematics are provided in this manual. Web sep 24, 2016. Generac engine parts finding your generac engine parts is simple with our online parts diagrams:

Page 1 Portable Generator Owner’s Manual Model No.


Folks, i have recently acquired a 1996 generac generator model number: Web shop and buy genuine generac parts and accessories for your home backup generator, portable generator, or pressure washer. Web web flathead electrical wiring diagrams.