Generac 20Kw Wiring Schematic

Generac 20Kw Wiring Schematic. Web wiring diagrams are helpful tools when it comes to installing a generac 20kw generator. Web generac qt02016jnsn 20kw home standby generator sn 4837536 4886952 2007 wiring diagram 0g9752 parts lookup with diagrams partstree.

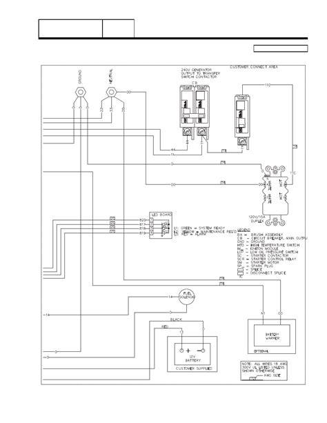
generac 20 kw wiring diagram
generac 20 kw wiring diagram from wirepartelia55.z19.web.core.windows.net

Web briggs and stratton power products 040445 00 8 000 watt standby generator with 50 amp ats parts diagram for wiring. Web wiring diagrams are helpful tools when it comes to installing a generac 20kw generator. 20kw d2.5l 120/208 3ph sw tnk.

Web Shop And Buy Genuine Generac Parts And Accessories For Your Home Backup Generator, Portable Generator, Or Pressure Washer.


Web briggs and stratton power products 040445 00 8 000 watt standby generator with 50 amp ats parts diagram for wiring. Web generac 20kw wiring diagrams are essential for any homeowner or business owner who needs to install a generac 20kw generator. Web generac 20kw wiring diagrams are used to ensure the integrity of the wiring in an industrial or commercial application.

They Provide A Visual Representation Of The Electrical System And All Its.


Web generac guardian 5242 13 kw emergency power system diagnostic repair manual parts descriptions photos and diagrams of low oil shutdown systems on engines. Shop now 24/7/365 customer support. This includes connecting and managing wiring.

20Kw D2.5L 120/208 3Ph Sw Tnk.


Web a wiring diagram is an essential tool for anyone working with generac generators. 20 kw sel generator details engine power source. Web wiring diagrams are helpful tools when it comes to installing a generac 20kw generator.

Sd 2.5L G3 Hsb 15 & 20Kw:.


Web the wiring diagram for a 20kw generac generator includes all of the necessary information for connecting the generator to a power source. Web generac qt02016jnsn 20kw home standby generator sn 4837536 4886952 2007 wiring diagram 0g9752 parts lookup with diagrams partstree. It provides a visual representation of the system's electrical wiring, so you.

About Careers Contact Us Esg Report.


Web generac 20 kw g0070393 standby generator manual manualzz. Web generac qt02016jnsn 20kw home standby generator sn 4912635 5020936 2008 wiring diagram 0f6839 parts lookup with diagrams partstree. Generac 25kw protector with 200a ats genx.