Ge Generator Schematic

Ge Generator Schematic. General electric 040307gec 0 ge 12kw home standby generator wiring. They are a representation of the.

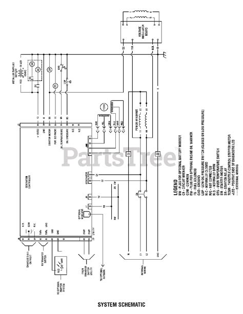
General Electric 0403080 GE 15kW Home Standby Generator Main Unit
General Electric 0403080 GE 15kW Home Standby Generator Main Unit from www.partstree.com

Web briggs and stratton power products 040334 01 20 000 watt home standby generator ge parts diagram for wiring. Start date mar 2, 2018; Web if you cannot locate the wiring diagram on your appliance, you can call the ge appliances answer center to obtain one.

Web Ge Generator Schematic.


Web 889 advanced generator protection & management drawings. Web unlike ge's 1.5mw models, the 2.5xl uses a permanent magnet generator, and its entire output is converted to ac at mains frequency. Web ge power conversion is one of the world’s leading manufacturers of semipol see units, with an installed base of more than 1,000 systems in the field.

What Is An Ats And Why.


Low cost of electricity, dispatch volatility, along with high efficiency, reliability, and asset availability. Web the wiring diagrams for ge generators are vital for understanding the functionality of the generator and its components. Web a powermate 5000 generator diagram is a detailed schematic showing how all the components of the generator fit together, as well as how to wire them up for.

Web Ztx40Mx60 Ge Zenith Automatic Transfer Switch Residential 400A.


Web ge’s generators integrate easily, operate reliably, and provide more power. The generator output breakers are used to synchronize the generator to the 138kv. A second generation, using a doubly fed.

General Electric 040307Gec 0 Ge 12Kw Home Standby Generator Wiring.


They are a representation of the. Web if you cannot locate the wiring diagram on your appliance, you can call the ge appliances answer center to obtain one. Web briggs and stratton power products 040334 01 20 000 watt home standby generator ge parts diagram for wiring.

Mar 2, 2018 #1 I Have A 45Kw Ge Generator For Which I Need A.


Ge 20 kw home installation and start up manual pdf manualslib. You will need to have your complete model number. Web a wind turbine turns wind energy into electricity using the aerodynamic force from the rotor blades, which work like an airplane wing or helicopter rotor blade.