Fusion Wiring Schematic

Fusion Wiring Schematic. Web this video demonstrates the ford fusion complete wiring diagrams and details of the wiring harness. You do not have to think, a wiring diagram.

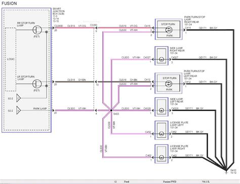
2011 ford fusion wiring diagram IOT Wiring Diagram
2011 ford fusion wiring diagram IOT Wiring Diagram from www.176iot.com

Web 3.0l, engine performance wiring diagram (3 of 4) for ford fusion se 2009. Web seems like fusion could handle this; Web aaron.magnin february 13, 2018 1 min read.

Web A Wiring Diagram Will Certainly Show You Where The Cables Need To Be Connected, So You Do Not Have To Presume.


Now that you have a good understanding of all the basic building blocks of your schematic, the symbols, it’s time to understand how. Get access all wiring diagrams car. Web aaron.magnin february 13, 2018 1 min read.

This Is Another Tip To Enhance The Consistency And Readability Of Your Schematic.


Web seems like fusion could handle this; Web 3.0l, engine performance wiring diagram (3 of 4) for ford fusion se 2009. Get access all wiring diagrams car.

In This Weeks Quick Tip, I Want Show You How To Add Wires To Your Fusion 360 Designs To Help Enhance Rendering.


Get access all wiring diagrams car. Web 2.3l, engine performance wiring diagram (3 of 5) for ford fusion s 2007. Diagrams for the following systems are included :

You Will Need To Use A Program Such.


Web 2.5l, engine performance wiring diagram, hybrid (5 of 8) for ford fusion se 2010. Web please verify all wire colors and diagrams before applying any information. For clarity, i'm using the terms as follows:

Web This Video Demonstrates The Ford Fusion Complete Wiring Diagrams And Details Of The Wiring Harness.


2011 ford fusion wiring diagram collection. Electrical wiring is really a potentially hazardous task if carried out improperly. You do not have to think, a wiring diagram.