Freightliner Schematic Wiring Manuals

Freightliner Schematic Wiring Manuals. Web freightliner m2 106 workshop manual pdf is available on this page. Freightliner truck service manuals, fault codes and wiring diagrams.

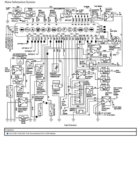
1999 Freightliner Fld120 Wiring Diagram Wiring Diagram
1999 Freightliner Fld120 Wiring Diagram Wiring Diagram from jumpstarterdiscount.blogspot.com

Web the freightliner business class m2 starter wiring diagrams offer detailed schematics of electrical components, making it easy to troubleshoot and identify wiring. Freightliner business class m2 fuse box diagram. Web making sense of 2020 freightliner business class m2 wiring diagrams pdfin the world of commercial vehicle repair, few things are as essential and useful as wiring.

The Wiring Harness And The Connectors.


View the schematics on your computer. Web freightliner m2 106 workshop manual pdf is available on this page. Freightliner business class m2 fuse box diagram.

Web How To Repair The Gearbox Of The Tractor.


Web freightliner truck service manuals, fault codes and wiring diagrams. Any diagnostics, repair or replacement of parts will require knowledge and understanding from you. The freightliner tractor and truck repair.

Web The Freightliner Business Class M2 Starter Wiring Diagrams Offer Detailed Schematics Of Electrical Components, Making It Easy To Troubleshoot And Identify Wiring.


Web for freightliner classic vehicles, these diagrams provide a comprehensive overview of the wiring system, as well as all the essential specifications, such as wire. Freightliner fld 120 epa 2007. The diagram can be drawn at any scale,.

Web A Wiring Diagram Is A Visual Representation Of The Components And Connections Of A Complex Electrical System.


Freightliner truck service manuals, fault codes and wiring diagrams. Web a freightliner business class m2 wiring diagram is typically composed of two main parts: Web the freightliner business class m2 wiring diagram pdf makes it easy to identify and troubleshoot potential problems with the truck’s electrical system.

The Wiring Harness Is The Part Of The.


Web making sense of 2020 freightliner business class m2 wiring diagrams pdfin the world of commercial vehicle repair, few things are as essential and useful as wiring. Web this professional wiring schematics set contains detailed information for the technician troubleshooting or repairing the electrical system. Web freightliner truck driver s manuals pdf wiring diagram truckmanualsnet.